亞洲建築專業網
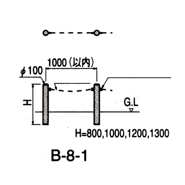
  • 欄杆B-8-1-利澤建材工業有限公司欄杆B-8-1-利澤建材工業有限公司
  • 欄杆B-8-1-利澤建材工業有限公司欄杆B-8-1-利澤建材工業有限公司

欄杆B-8-1

公司 : 利澤建材工業有限公司

電話 : 02-86423355

欄杆B-8-1產品說明

真像木-欄杆B-8-1

利澤建材工業有限公司

美麗的大自然,常因不協調的人為設施,而失去原有的風味。如果使用原木來造景,雖能保有自然的風貌,但砍伐樹木容易造成 森林生態的破壞,進而危及人們居住的安危,且原木腐朽時還可能會導致意外危險的發生。
利澤建材工業有限公司有鑑於此,師法先進國家以「配合自然生態、美化環境」為訴求,引進日本興業株式會社之技術,開發原木複製的混凝土仿木產品——真像木。
除了可以替代原木,無須耗費天然資源外,真像木還具有不易損壞、長保如新的耐久性;由於使用預鑄工法,施工迅速且品質穩定,可說是集多種優點於一身,環保且優美的最佳造景產品。