廠商黃頁
99+
建材商城
廠商黃頁
建材設備
工程案例
詢價發包
線上型錄
新聞動態
首頁
廠商黃頁
光隆摩擦焊股份有限公司
產品介紹
T頭錨錠規格
光隆摩擦焊股份有限公司 - T頭錨錠規格產品
苗栗縣三義鄉西湖村伯公坑40之33號
037-878989
留言預約
收藏
公司首頁
產品介紹
(7)
工程實績
(1)
產品型錄
(8)
檔案下載
(3)
最新消息
(0)
公司照片
(4)
T頭錨錠規格
留言預約
收藏產品
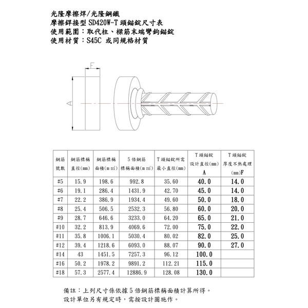
T頭錨錠規格產品說明
產品名稱
T頭錨錠規格
產品說明
T頭錨錠規格
聯絡電話
037-878989
檔案下載
T頭錨錠規格-圖1
建材分類
續接器建材分類
分享至我的 :
Facebook
Line
下一筆 :
鋼筋混凝土鑽孔機KF500 / KF500E