廠商黃頁
99+
建材商城
廠商黃頁
建材設備
工程案例
詢價發包
線上型錄
新聞動態
首頁
廠商黃頁
光隆摩擦焊股份有限公司
線上型錄
光隆摩擦焊股份有限公司 - 線上型錄
苗栗縣三義鄉西湖村伯公坑40之33號
037-878989
(現在是下班時間,請利用 [聯絡我們] 與我們聯繫,謝謝!)
留言預約
收藏
公司首頁
產品介紹
(7)
工程實績
(1)
產品型錄
(8)
檔案下載
(3)
最新消息
(0)
公司照片
(4)
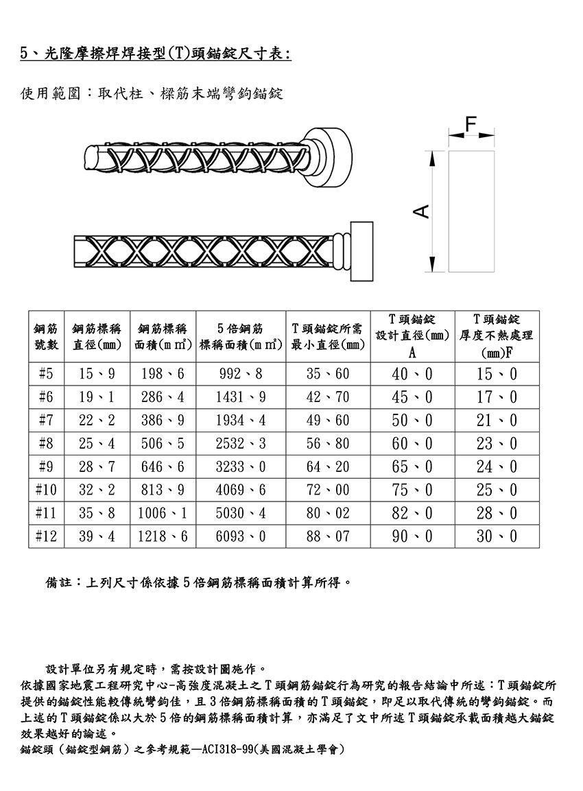
產品型錄
所有目錄 共8筆
頁次: 1/1 每頁: 20筆