廠商黃頁
99+
建材商城
廠商黃頁
建材設備
工程案例
詢價發包
線上型錄
新聞動態
首頁
廠商黃頁
光隆摩擦焊股份有限公司
產品介紹
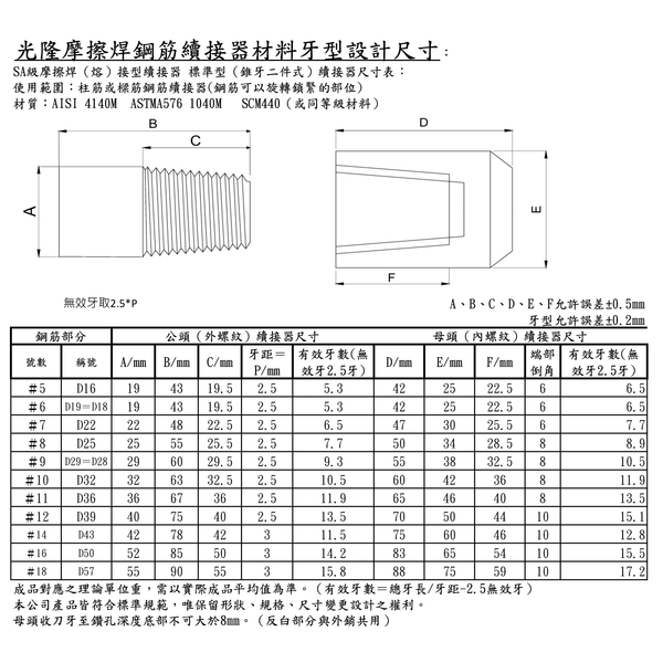
鋼筋續接器錐牙規格
光隆摩擦焊股份有限公司 - 鋼筋續接器錐牙規格產品
苗栗縣三義鄉西湖村伯公坑40之33號
037-878989
留言預約
收藏
公司首頁
產品介紹
(7)
工程實績
(1)
產品型錄
(8)
檔案下載
(3)
最新消息
(0)
公司照片
(4)
鋼筋續接器錐牙規格
留言預約
收藏產品
鋼筋續接器錐牙規格產品說明
產品名稱
鋼筋續接器錐牙規格
產品說明
鋼筋續接器錐牙規格
聯絡電話
037-878989
檔案下載
鋼筋續接器錐牙規格-圖1
建材分類
續接器建材分類
分享至我的 :
Facebook
Line
下一筆 :
520型腳架