亞洲建築專業網
  • 鑄鐵格柵-羿源工業有限公司鑄鐵格柵-羿源工業有限公司
  • 鑄鐵格柵-羿源工業有限公司鑄鐵格柵-羿源工業有限公司

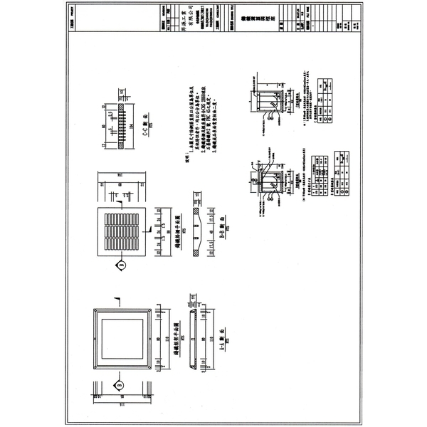
鑄鐵格柵

公司 : 羿源工業有限公司

電話 : 02-27238488

鑄鐵格柵產品說明

名稱又叫做暗溝鑄鐵框蓋,鑄鐵水溝蓋,鑄鐵格柵蓋版......,尺寸多種,附圖的範例是1米*1米左右,厚度達10公分,重量高達820公斤一組(含框含蓋)。

羿源工業有限公司

我們以提供高品質的地下管道工程材料和全方位解決方案而自豪。
多年來,我們一直是建設項目的信賴合作夥伴,不僅提供格柵、鑄鐵蓋、止水帶等關鍵材料,還提供專業的地下管道工程服務。

我們不僅供應優質材料,還提供地下管道工程服務,包括但不限於以下:

-產品與服務
‧格柵: 我們提供多種格柵產品,用於水道、公路排水和市區建設,確保有效的水流管理和洩排。
‧鑄鐵蓋: 我們的鑄鐵蓋廣泛應用於人孔、手孔、電信、網絡等地下設施,確保安全和可持續性。
‧防臭汙水蓋: 我們的防臭汙水蓋設計用於控制臭氣,保護環境和社區的空氣品質。
‧止水帶和PVC止水帶: 我們提供高效的止水帶和PVC止水帶,確保建築物和基礎的防水性能。
‧水位尺和水位里程碑: 我們的水位尺和水位里程碑用於監測水位,為各種工程提供關鍵的水文信息。
‧塑木公園椅: 耐用的塑木製公園椅,適合公園、休閒區、或戶外咖啡廳。

-地下管道工程

‧鑄鐵溝蓋工程: 我們提供鑄鐵溝蓋的安裝和維護,確保道路和排水系統運作良好。
‧地下管道維護: 我們專業的團隊負責地下管道的檢修、維護和更新,以確保長期運作。
‧電信和網絡設施: 我們為電信和網絡公司提供地下設施建設和改進,確保信息傳輸的穩定性。
‧公共基建項目: 我們參與各種公共基建工程,包括道路、橋樑、排水系統等。

-品質與承諾
我們以品質和可靠性為首要目標。我們的產品符合最高標準,具有卓越的耐久性,適應各種極端環境。

-客製化解決方案
我們理解每個工程的獨特需求,因此提供客製化的解決方案,以確保每個項目都能達到最佳效果。

-聯絡我們
如果您正在尋找可靠的地下管道工程材料供應商和解決方案提供商,「羿源工業有限公司」樂意為您提供最佳的支援。請隨時聯繫我們,讓我們一同推動您的工程取得成功。