亞洲建築專業網
  • 鋁擠型零配件(M6)  P170-6腳底板-巨碩精機有限公司鋁擠型零配件(M6)  P170-6腳底板-巨碩精機有限公司
  • 鋁擠型零配件(M6)  P170-6腳底板-巨碩精機有限公司鋁擠型零配件(M6)  P170-6腳底板-巨碩精機有限公司

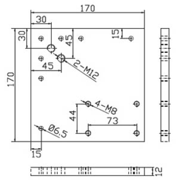
鋁擠型零配件(M6) P170-6腳底板

鋁擠型零配件(M6) P170-6腳底板

公司 : 巨碩精機有限公司

電話 : 04-7793355

鋁擠型零配件(M6) P170-6腳底板產品說明

鋁擠型零配件(M6)
品名:P170-6腳底板

產品規格

材質:SS41
表面:鍍鋅

巨碩精機有限公司

專業鋁擠型工廠,專精於 鋁擠型設計、開發,在業界有很好名聲;品質優良與服務至上是本公司永遠的信念……

為了因應市場需求,提升全方位服務,目前投入大量人力進行鋁擠型模具開發、 作業採用全面自動化,讓巨碩精機鋁擠型, 交期、品質、價格均具有競爭力,竭誠您來電指教。

產品與服務:
.鋁擠型及鋁擠型設計製造銷售
.系列鋁擠型、鋁擠型連結塊、鋁擠型零配件設計製造銷售
.各式鋁擠型加工、特殊鋁擠型製造銷售
.鋁擠型機架組立系統、工程架構組立、鋁擠型框架組裝。
.鋁擠型蝴蝶扣、把手、高級工作桌、迷你輸送機。