廠商黃頁
99+
建材商城
廠商黃頁
建材設備
工程案例
詢價發包
線上型錄
新聞動態
首頁
廠商黃頁
巨碩精機有限公司
產品介紹
鋁擠型 (M8) AHI4080-8
巨碩精機有限公司 - 鋁擠型 (M8) AHI4080-8產品
彰化縣福興鄉外中街79之26號
04-7793355
留言預約
收藏
官網
公司首頁
產品介紹
(287)
工程實績
(0)
產品型錄
(0)
最新消息
(5)
鋁擠型 (M8) AHI4080-8
留言預約
收藏產品
鋁擠型 (M8) AHI4080-8產品說明
產品名稱
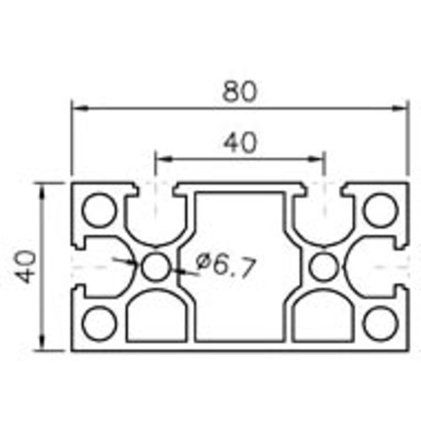
鋁擠型 (M8) AHI4080-8
產品說明
鋁擠型 (M8)
編號:AHI4080-8
端蓋編號:A4080C
材質:PA+GF
產品規格
材質:6N01S-T5
規格:6050 mm
重量:2.85 Kg/M
表面:陽極處理
聯絡電話
04-7793355
檔案下載
鋁擠型 (M8) AHI4080-8-圖1
鋁擠型 (M8) AHI4080-8-圖2
鋁擠型 (M8) AHI4080-8-圖3
建材分類
鋁製品建材分類
分享至我的 :
Facebook
Line
下一筆 :
台灣獨家 洛米思第二代皮雕板 D12