廠商黃頁
99+
建材商城
廠商黃頁
建材設備
工程案例
詢價發包
線上型錄
新聞動態
首頁
廠商黃頁
鵬驥實業有限公司
產品介紹
送電開陰極電鎖
鵬驥實業有限公司 - 送電開陰極電鎖 型號:PGS-705NSA
新北市中和區中正路738號5樓
02-82280198
留言預約
收藏
官網
公司首頁
產品介紹
(40)
產品影片
(15)
工程實績
(15)
產品型錄
(7)
檔案下載
(3)
最新消息
(24)
送電開陰極電鎖 PGS-705NSA
留言預約
收藏產品
送電開陰極電鎖產品說明
產品名稱
送電開陰極電鎖
產品品牌
Pegasus, 鵬驥
產品型號
PGS-705NSA
產品產地
台灣
產品說明
*送電開門。
*SW:具備開門監視點
*全機身採用金屬設計,堅固耐用。
*適用於鋁門、木門
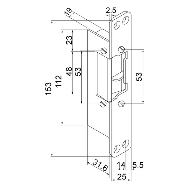
產品規格
型號 : PGS-705NSA(DC12V) / PGS-705NS/SWA-24V(DC24V)
類別 : 送電開
工作電壓/消耗電流 : DC12V (200mA) / DC24V (100mA)
開門監視點 : 有
斜型鎖槽深度 : 8mm
材質 : 面板(不鏽鋼)/鎖體(鋅合金)/門擋(鋅合金)
尺寸(LXWXD)公厘 : 面板(153x25x2.5)/鎖體(112x21x28)
*所載規格,本公司有修改權利,如與實品不符,以實品為準
產品用途
*適用於鋁門、木門
產品規範
CE
相關網址
送電開陰極電鎖
聯絡電話
02-82280198
檔案下載
送電開陰極電鎖-圖1
送電開陰極電鎖-圖2
送電開陰極電鎖-圖3
建材分類
門禁周邊建材分類
分享至我的 :
Facebook
Line
下一筆 :
關節梯使用方式