廠商黃頁
99+
建材商城
廠商黃頁
建材設備
工程案例
詢價發包
線上型錄
新聞動態
首頁
廠商黃頁
劦翊實業有限公司
產品介紹
外牆拉皮工法
劦翊實業有限公司 - 外牆拉皮工法產品
嘉義縣大林鎮大埔美園區一路16號
05-2956357
留言預約
收藏
官網
公司首頁
產品介紹
(161)
產品影片
(2)
工程實績
(96)
工程影片
(6)
產品型錄
(50)
檔案下載
(8)
最新消息
(18)
外牆拉皮工法
留言預約
收藏產品
外牆拉皮工法產品說明
產品名稱
外牆拉皮工法
產品說明
止滑、磁磚、橡膠墊、隔音、聚胺酯、地坪、水性防水材、自癒型防水添加劑、樓板隔音墊、橡膠緩衝材、水性壓克力球場材、水性樹脂砂漿地坪材、水性聚氨酯、矽酸質防水粉、天然彩砂、自黏熱熔式防水毯、水性奈米底漆、強化底漆、外牆油漆、耐黃變透明漆、磁磚表面接著劑、油性撥水劑、橡化瀝青防水膠、高分子複合式防水材、水性丙烯瀝青防水膠、不垂流瀝青防水膠、防水工程、透明、止滑、紙模、乾式、水性金油、水性壓克力跑道、兩液型水性壓克力、外牆拉皮、紋理塗料、清水模塗料、聚氨酯地坪材、樹脂砂漿地坪材、EPOXY、玻璃纖維網、壓克力球場、單液彈性防水塗料、粗糙面單液彈性防水塗料、水和凝固型防水材、防水材料、隔熱防水塗料、氯丁橡膠、耐磨地板、黑膠、抗張不織布壓克力球場材、屋頂防水、環氧樹脂、丙烯酸樹脂、自黏式防水毯、防水漆、固化劑、壓克力彩色面層、高性能斷熱塗料、外牆彈性防水塗料、外牆彈性中塗、熱熔式改質瀝青防水毯、抗張不織布、自黏式防水膜、岩片面防水毯、熱熔式改質防水毯、底油、穿孔不織布、壓克力球場材、彈性批土、磁磚保護漆、油性潑水劑、地坪防水塗料、透明防水塗料、劃線漆、耐黃變透明漆、隔熱防水塗料、熱熔式改質瀝青防水毯、自黏防水膜,歡迎來電洽詢05-2956357
產品文件
外牆拉皮工法
檔案下載
登入會員下載PDF
外牆施工工法
聯絡電話
05-2956357
檔案下載
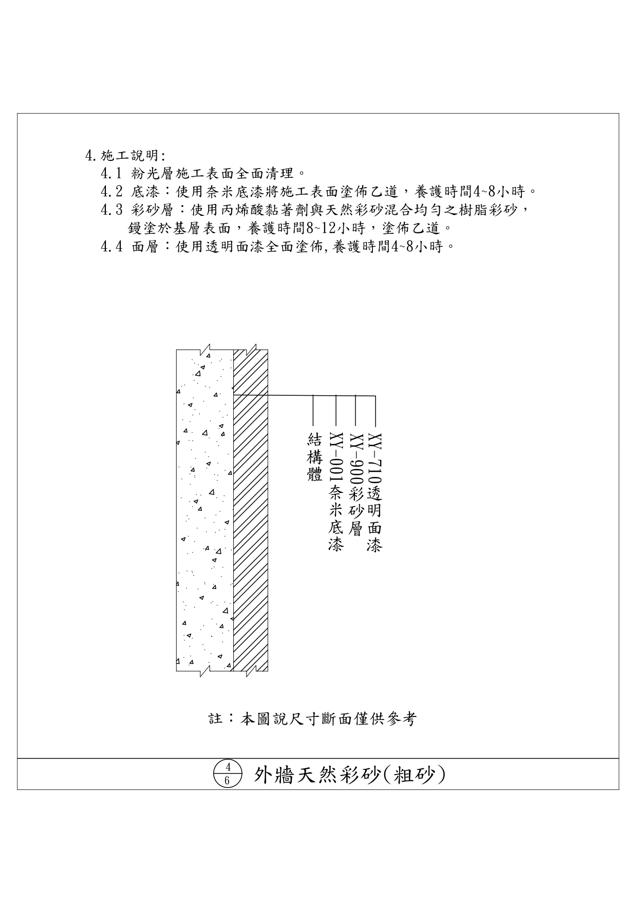
外牆拉皮工法-圖1
外牆拉皮工法-圖2
外牆拉皮工法-圖3
外牆拉皮工法-圖4
建材分類
公司產品建材分類
分享至我的 :
Facebook
Line
下一筆 :
預鑄電纜槽